交流/交流轉換器
有直流鏈的轉換器

有直流鏈的轉換器有二種:
若馬達需要動態剎車,可以用剎車斬波器及電阻器並聯在整流器上來達成。另一種剎車方式是在整流器上反向並聯閘流體,使能量可以回到交流電源端。不過這種相控閘流體為基礎的整流器,在輕載時對電源電壓的歧變比二極體整流器要大,功率因素也比較小。
若交流/交流轉換器希望有近似弦波的輸入電流,以及雙向的功率流動,可以用脈衝寬度調變(PWM)的整流器、PWM的逆變器配合直流鏈達到。直流鏈的大小以逆變器和整流器之間共同的能量儲存元件來表示,在電壓源變頻器中為電容,在電流源變頻器中為電感。PWM整流器控制輸入電流為弦波,可能和交流電源的電壓同相,若是能量回饋到電源端,電流會和電壓反相。
因為直流鏈的儲存元件,整流器和逆變器有相當程度的解耦,有在控制上的好處。不過直流鏈的儲存元件其體積較大,若在電壓源變頻器中使用電解電容器,也潛在的降低了系統的壽命。
循环换流器
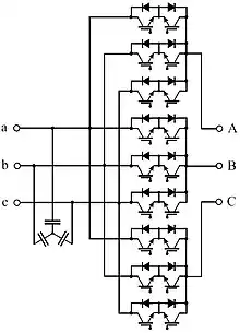
循环换流器利用切換元件將輸入波形切換後,產生變頻率,近似弦波的輸出電壓,沒有中間的直流鏈儲存元件。切換元件可能是SCR,不過其輸出頻率需要比輸入電壓的頻率要低。大型的循环换流器(功率約到10 MW)是為壓縮機及風洞機所設計,或是像水泥窯爐之類的變速應用。
矩陣轉換器
為了提高功率密度及可靠性,一種可行的作法是考慮矩陣式的架構,將三相輸入和三個輸出用九個雙向的功率晶體來進行切換,每一相輸入都有三個功率晶體連接到三相的輸出,這就是直接型的矩陣轉換器,沒有中介的能量轉換元件,電壓及電流的轉換都在一級的轉換器中完成。
有另外一種間接型的能量轉換方式,可以用間接型的矩陣轉換器,或是由苏黎世联邦理工学院的Johann W. Kolar 教授發明的稀疏矩阵变换器來達成。就像電壓源及電流源的變頻器一樣,會分為幾階來處理電壓及電流的轉換,但直流鏈沒有中介的儲能元件。一般來說,使用矩陣轉換器後,可以減小直流鏈的儲能元件,或是甚至不用,不過會使用很多的功率晶體。矩陣轉換器常視為未來變頻技術的概念之一,不過數十年來的密集研究,在工業上的使用並不多。不過因為近來已可獲得低成本、高效能的半導體,過去幾年已有少數變頻器廠商在提倡矩陣轉換器[11]。
參考資料
- Lee, M. Y. (PDF). University of Nottingham. 2009: 8 [2015-10-22]. (原始内容 (PDF)存档于2014-02-01).
- J. W. Kolar, T. Friedli, F. Krismer, S. D. Round, “The Essence of Three-Phase AC/AC Converter Systems”, Proceedings of the 13th Power Electronics and Motion Control Conference (EPE-PEMC'08), Poznan, Poland, pp. 27 – 42, Sept. 1 - 3, 2008.
- I. Takahashi, Y. Itoh, “Electrolytic Capacitor-Less PWM Inverter“, in Proceedings of the IPEC’90, Tokyo, Japan, , pp. 131 – 138, April 2 – 6, 1990.
- K. Kuusela, M. Salo, H. Tuusa, “A Current Source PWM Converter Fed Permanent Magnet Synchronous Motor Drive with Adjustable DC-Link Current“, in Proceedings of the NORPIE’2000, Aalborg, Denmark, pp. 54 – 58, June 15 – 16, 2000.
- M. H. Bierhoff, F. W. Fuchs, “Pulse Width Modulation for Current Source Converters – A Detailed Concept,“ in Proceedings of the 32nd IEEE IECON’06, Paris, France, Nov. 7–10, 2006.
- L. Gyugyi, B. R. Pelly, “Static Power Frequency Changers - Theory, Performance, & Application“, New York: J. Wiley, 1976.
- W. I. Popow, “Der zwangskommutierte Direktumrichter mit sinusförmiger Ausgangsspannung,“ Elektrie 28, No. 4, pp. 194 – 196, 1974
- J. Holtz, U. Boelkens, “Direct Frequency Converter with Sinusoidal Line Currents for Speed-Variable AC Motors“, IEEE Transactions Industry Electronics, Vol. 36, No. 4, pp. 475–479, 1989.
- K. Shinohara, Y. Minari, T. Irisa, “Analysis and Fundamental Characteristics of Induction Motor Driven by Voltage Source Inverter without DC Link Components (in Japanese)“, IEEJ Transactions, Vol. 109-D, No. 9, pp. 637 – 644, 1989.
- L. Wei, T. A. Lipo, “A Novel Matrix Converter Topology with Simple Commutation“, in Proceedings of the 36th IEEE IAS’01, Chicago, USA, vol. 3, pp. 1749–1754, Sept. 30 – Oct. 4, 2001.
- Swamy, Mahesh; Kume, Tsuneo. (PDF). Power Transmission Engineering (www.powertransmission.com). Dec 16, 2010 [Apr 2012]. (原始内容存档 (PDF)于2020-12-05).



